Réduction du nombre d’instructions que vous devez régulièrement utiliser.

Type de données sécurisé
Avec une instruction FP, par ex. F22_ADD2 |
Avec une instruction CEI, par ex. ADD |
![]() |
![]() |
Vous recevez aucun message d’erreur |
Vous recevez un message d’erreur |
Les instructions CEI encapsulent des fonctionnalités complexes.
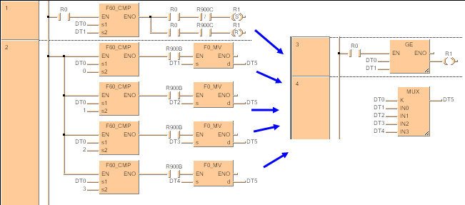
Les instructions CEI sont extensibles.

Les instructions CEI sont prédéfinies.

Temps de programmation réduit
Programmation claire
Facile à lire
Toutes les instructions STRING sont disponibles pour tous les automates.

Toutes les instructions STRING peuvent être utilisées même si l’automate ne prend pas en charge le type de données STRING.