Exemple 1 :
Programme FPWIN GR/FPWIN GR7 :

Résultat de la conversion dans Control FPWIN Pro7 :

Exemple 2 :
Programme FPWIN GR/FPWIN GR7 :

Résultat de la conversion dans Control FPWIN Pro7 :

Exemple 3 : itération
Programme FPWIN GR/FPWIN GR7 :

Résultat de la conversion dans Control FPWIN Pro7 :

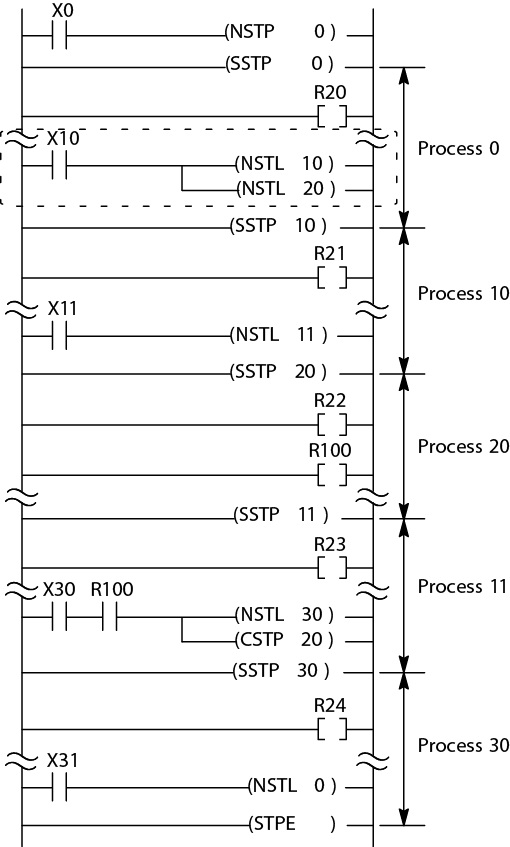
Exemple 4 : instruction étape
Programme FPWIN GR/FPWIN GR7 :
Résultat de la conversion dans Control FPWIN Pro7 :
