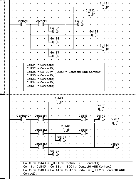
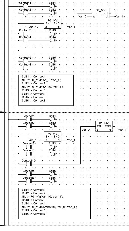
Lors du traitement des réseaux dans les éditeurs LD ou FBD, le contrôle est exécuté dans l’ordre suivant :
Le compilateur commence en haut à gauche sur la barre d’alimentation. Lorsque les éléments sont directement connectés à la barre d’alimentation, tous les éléments sont alimentés en courant. S’il n’y a pas d’élément connecté, le compilateur commence par toutes les entrées. Control FPWIN Pro7 traite les entrées comme si elles étaient prêtes à être traitées.
Puis, le compilateur recherche l’élément le plus élevé qu’il puisse évaluer. Si deux éléments sont au même niveau (ligne), le compilateur traite l’élément de gauche en premier. Si l’élément est une sortie ou un point d’appel pour une fonction ou bloc fonction, le compilateur crée le code correspondant. Des variables temporaires peuvent être insérées à partir du compilateur pour sauvegarder le signal dans la mémoire tampon ou la pile.
Pour les éléments de la deuxième étape (résultat intermédiaire), le compilateur alimente en courant de sortie tous les éléments directement connectés. Puis il évalue l’élément suivant. Enfin, il revient à la deuxième étape jusqu’à ce que tous les éléments soient évalués ou qu’il n’y en ait plus.
Le traitement est interrompu ou terminé.
Voici plusieurs exemples de l’ordre d’exécution dans Control FPWIN Pro7.
Exemple 1 :

Exemple 2 :

Exemple 3 :

Exemple 4 :
